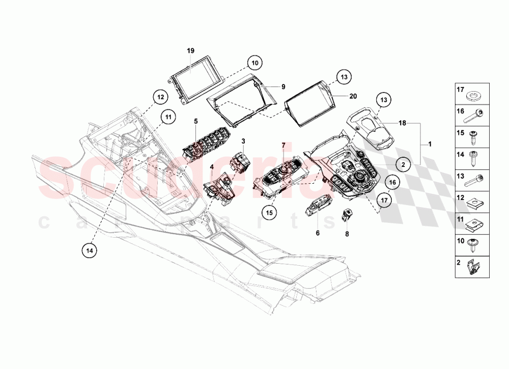
Lamborghini Yedek Parça - Aventador LP700 Coupe Parts - Front Tunnel 1
Parça Kodları
No
Kod
Parça Adı
000
903654765
LHD Tunnel cover
001
470919609
OPERATING UNIT FOR MULTIMEDIA SYSTEM -MMI- WITH JOYSTICK
002
1J0858137B
CLIP
003
470927225
SWITCH FOR ELECTROMECHANICAL PARKING BRAKE -EPB
004
470863347
MULTIPLE SWITCH - E-GEAR - RM
005
471941567
MULTIPLE SWITCH
005
471941567A
MULTIPLE SWITCH (REAR VIEW CAMERA - PARK SENSOR)
006
470959674
Multiple Switch (drive Select)
007
470820043
Display And Control Panel For Electronically Controlled Air Conditioning (not Heated Seats)
007
470820043A
DISPLAY AND CONTROL PANEL FOR ELECTRONICALLY CONTROLLED AIR CONDITIONING (NOT HEATED SEATS)
008
470905217
Pushbutton For Start System
009
470863567
ORNAMENT
010
N90986803
Screw 4.2X13
011
N0154487
Clip
012
N90526602
Clip
013
WHT003088
SCREW M4X16
014
N10656302
SCREW
015
N10625802
SCREW 3X10
016
N10582103
SCREW M6X40
017
N01152427
WASHER
018
470907047
ORNAMENT
020
470919180
ORNAMENT
021
470941531
MULTIPLE SWITCH (LIGHTS)
Fiyat - Bilgi Formu
Bu ürünü sipariş etmek için bizimle 05535635353 bu telefon numaralarından iletişim kurabilirsiniz.
